磚窯余熱鍋爐

- 玻璃窯余熱鍋爐
- 玻璃窯余熱鍋爐采用強制循環即汽、水工質在管內是依外力(給水泵、熱水循環泵)驅動。這樣可使受熱面布置不受任何限制,且使受熱面布置的十分緊湊。

- 水泥窯余熱鍋爐
- 水泥窯余熱鍋爐采用強制循環即汽、水工質在管內是依外力(給水泵、熱水循環泵)驅動。這樣可使受熱面布置不受任何限制,且使受熱面布置的十分緊湊。
產品描述:
磚窯余熱鍋爐采用強制循環即汽、水工質在管內是依外力(給水泵、熱水循環泵)驅動。這樣可使受熱面布置不受任何限制,且使受熱面布置的十分緊湊。
余熱鍋爐受熱面由省煤器段、蒸發器段兩部分組成。根據余熱鍋爐熱平衡計算,余熱鍋爐要達到8.5t/h飽和蒸汽產量,必須使排氣溫度降至160℃,余熱鍋爐必須設置省煤器段,用給水來進一步吸收排氣中低位能量。這樣一方面可提高給水溫度、增加余熱鍋爐的蒸汽產量,另一方面可提高蒸發器段受熱面的有效利用率。
為了提高省煤器的傳熱溫壓,省煤器段采用逆流布置即工質與廢氣流動方向相反,蒸發器段仍采用順流布置。
綜上所述,在窯爐尾部煙道加裝一套余熱鍋爐,可以達到回收煙氣余熱、保護環境的目的。對有效降低能耗,推動實現可再生能源持續發展具有十分重要的現實意義。
正常情況下窯爐余熱鍋爐在地下主煙道翻板閥前開孔,將地下煙道中的熱煙氣從地下引出,經余熱回收系統換熱降溫后,將煙氣溫度由260℃-300℃降低至約140℃-160℃之間,經余熱鍋爐出口引風機再排入原來煙囪上的預留孔,經煙囪排入大氣。
總之,窯爐余熱鍋爐的布置位置需要根據用戶現場的實際情況來確定,進行不同的選擇。
產品特點:
(1)可靠性。所有設計參數的選定首先考慮窯爐運行可靠。
(2)經濟性。在確保窯爐運行可靠的前提下,盡可能增大換熱溫差,減少換熱面的體積和重量,減少設備投資。在技術經濟比較的基礎上,合理設計煙氣的余熱利用溫度。如果過度降低煙氣溫度,除增加引風機的日常功耗之外,還會對煙囪造成低溫腐蝕,影響使用壽命。
(3)合理優化。通過對余熱鍋爐進行合理化設計,爭取回收熱量的能級高。
(4)安全。合理控制受熱面金屬壁溫,避開煙氣露點。這是保證受熱面不泄漏的前提條件,所有方案必須首先滿足這一條件。
產品優勢:
◇ 優異的防磨損性能
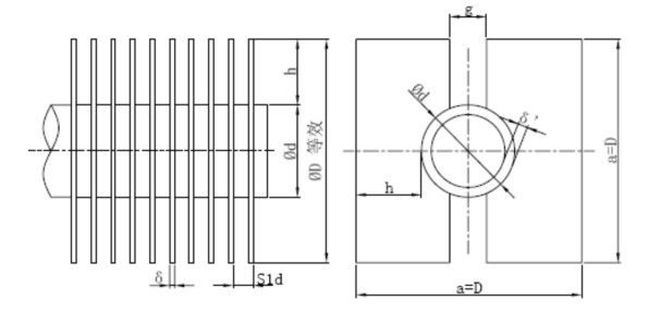
磨損主要是灰粒對管子的沖擊和切削作用,在管子周圍與水平線成30度部位磨損厲害。S1/d=S2/d=2時,此處磨損量為平均值的3倍。
錯列布置由于氣流方向改變,第二排磨損厲害。S1/d=S2/d=2時,第二排是第一排磨損量的2倍,以后各排磨損量比第一排一般高30%~40%
順列布置第一排與錯列布置第一排相同,以后各排由于氣流沖擊不到管子磨損較輕。在其它條件相同的條件下,順列管束的磨損量比錯列管束少3-4倍。
H型翅片管換熱器采用順列布置,H型翅片把空間分成若干小的區域,對氣流有均流作用,與采用錯列布置的光管換熱器、螺旋翅片換熱器等相比,在其它條件相同的條件下,磨損壽命高3~4倍。
◇ 積灰減少
積灰的形成發生在管束的背向面和迎風面。管子錯列布置容易沖刷管束,背面積灰較少。對于順列布置的管束,由于氣流不容易沖刷管束背面,就管束而言,順列布置積灰比錯列多。
H型翅片由于翅片焊在管子不易積灰的兩側,而氣流筆直地流過,氣流方向不改變,翅片不易積灰。
H型翅片中間留有6~13mm的間隙,可引導氣流吹掃管子翅片積灰,在合適的風速下,有很好的自清灰功能。.
螺旋翅片由于翅片螺旋角引導氣流改變方向,翅片管積灰較嚴重,對于不能形成松散性積灰的情況,盡量不要采用。現場運行實踐表明:H型翅片管不積灰或很少積灰,而螺旋翅片管積灰嚴重。
H型翅片管由于兩邊形成筆直的通道,采用吹灰器吹灰,可以取得良好的吹灰效果。
◇ 減少煙氣側阻力
由于H型翅片兩邊形成筆直的通道,而螺旋翅片的螺旋角引導氣流改變方向,使得螺旋翅片容易積灰并使其煙氣阻力較H型翅片大。因此,采用H型翅片管可以減少風阻,降低引風機運行和投資成本。
◇ 翅片與鋼管的焊接熔合率高
由于H型翅片采用獨特的鋸齒形結構,所以翅片與鋼管的焊接熔合率可以高達98%以上,從而確保H型翅片管具有良好的傳熱系數。
整體產品圖片:

細節圖表現:


工藝流程:
窯爐尾部煙氣流程為:在地下主煙道翻板閥前開孔,將主煙道路熱煙氣從地下主煙道路引出,經煙道到余熱鍋爐入口,煙氣自下而上流動,流經蒸發器和省煤器,經鍋爐出口的引風機再排入主煙道,經煙囪排空。煙氣溫度從280℃降到160℃,所放出的熱量用來使水變成0.8MPa飽和蒸汽。
蒸汽系統流程為:是過濾后的河水經全自動軟水處理系統制成軟化水,與汽輪機熱井的凝結水混合后送入大氣式除氧器,被飽和蒸汽加熱至104℃,達到除氧目的。然后由汽水分離器給水泵送入余熱鍋爐上部的省煤器,水在省煤器內吸收熱量使水溫上升,水溫升到略低于汽水分離器壓力下的飽和溫度,就離開省煤器進入汽水分離器。進入汽水分離器的水與汽水分離器內的飽和水混合后,沿汽水分離器下方的出水口到循環泵,水在循環泵中壓力升高,進入蒸發器,在蒸發器內的水吸熱開始產汽,通常是只有一部分水變成汽,所以在蒸發器管內流動的是汽水混合物。汽水混合物離開蒸發器進入汽水分離器上部。在汽水分離器內裝有汽水分離設備,可以把汽和水分開,水落到汽水分離器內水空間,而蒸汽從汽水分離器頂部出來供給用戶。

?
![]()
青島凱能環保科技股份有限公司位于青島膠州市,是國內專業化生產礦熱爐余熱鍋爐、電廠低溫省煤器、發電機組余熱鍋爐的高新技術企業;公司主要生產制造煙氣余熱鍋爐、低溫省煤器、燃油燃氣鍋爐、針形管、H型鰭片管、船用鍋爐及各類壓力容器等節能環保產品。
公司具有A級鍋爐制造資質,D1、D2級壓力容器設計、制造資質。并已取得法國BV的ISO9001:2015質量管理體系證書、ISO14001:2015環境管理體系認證和
ISO45001:2018職業健康管理體系認證,并已獲得美國ABS、法國BV、挪威DNV、英國LR、德國GL和中國CCS等多家船級社的工廠認可。
公司擁有近20項實用新型專利和發明專利。其中公司的針型鰭片管余熱鍋爐獲山東省重點節能技術、產品和設備推廣目錄、青
島市重點節能技術、產品和設備推廣目錄;針形管余熱鍋爐于2011年獲國家科技部中小企業技術創新基金立項,并已通過驗收和十一五國家科技支撐計劃“沼氣發電熱電聯供成套機組產組產業化與工程示范”。公司于2014年取得“青島市傳熱強化節能能裝備專家工作站”、“企業技術中心”、“工程研究中心”、“山東節能環保示范企業”“青島市專精特新示范企業”等榮譽稱號。
公司20余年專業化生產針形管、H型鰭片管強化換熱元件和余熱鍋爐等節能環保設備,現有職工230余人,其中工程技術人員50余人;公司占地面積約73000m2,各種生產設備300余臺套,其中針形管專用焊接生產線10條,H型鰭片管專用焊接生產線12條,年產針形管強化傳熱元件3600余噸,H型鰭片管強化傳熱元件8500余噸。已生產各類針形管、H型鰭片管余熱鍋爐及各類壓力容器12000余臺套。公司20年一直致力于余熱利用行業,是專業的余熱鍋爐
制造商,余熱鍋爐行業杰出企業。
青島凱能環保科技股份有限公司自主研發針形管強化換熱元件,凱能余熱鍋爐采用針形管強化換熱元件增加換熱面積6-8倍,提高傳熱系數約2倍,從而提高傳熱效率約14倍以上。凱能針形管具有結構緊湊、熱效率高、設備投資少的優點,又具有耐震消音、防止積灰、耐磨損、壽命長,安全可靠的特性。
青島凱能環保科技股份有限公司具有與產品制造相適應的技術力量、完善的工藝裝備和檢測手段,已建立完善的質量保
證體系和生產工藝。依托自身強大的研發團隊,通過對國內外換熱元件的研究,不斷推出各種系列的余熱回收產品,2013年凱能品牌取得“山東省著名商標”“青島市著名商標”等榮譽稱號。
公司與西安交通大學、山東大學、清華大學、大連理工大學、陜西科技大學等高等院校科研院所技術合作,進行“產學研”結合,擁有強大的余熱利用自主設計研發能力。2013年公司與西安交通大學聯合成立“鍋爐傳熱元
件焊接裝備研究所”、“傳熱強化及過程節能裝備研發中心”。
公司可按照相關國家和企業標準,針對客戶要求設計、制造滿足用戶特殊需求的各種針形管、H型鰭片管系列余熱鍋爐產品。
公司成立至今,先后為近百家電廠的1000多臺不同類型燃料的發電機組進行了余熱利用和改造。取得了顯著的節能效果,為客戶帶來了可觀的經濟效益。
公司產品銷往全國30多個省市自治區,與華電、國電、華能、大唐和中電投等五大電力公司以及大慶油田、勝利油田、華北油田、大港油田等建立了密切的合作關系,產品在燃煤電廠、鐵合金、油田、焦化廠、煤礦、燃油燃氣及沼氣站得到了廣泛的應用,并出口俄羅斯、日本、法國、北歐等國家和地區。
![]()
|
青島凱能環保科技股份有限公司 |
相關資訊
| 我要評論: | |
| *內 容: |
(內容最多500個漢字,1000個字符) |
| *驗證碼: | 看不清?! |








魯公網安備 37028102000404號
共有-條評論【我要評論】